
DC/DC CONVERTER
REGULATED TYPE
RCF SERIES
OUTPUT SPECIFICATIONS
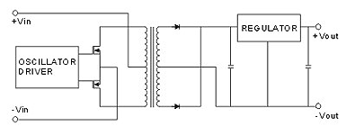
SIMPLIFIED SCHEMATIC

MECHANICAL DIMENSIONS &
RECOMMENDED FOOTPRINT DETAILS
|
ELECTRICAL SPECIFICATIONS |
|||
|---|---|---|---|
|
Input Voltage Range |
+/-10% max |
Line Regulation |
+/-0.5% max |
|
Input Filter |
Pi Network |
Load Regulation |
+/-0.5% max |
|
Protection |
Fuse Recommended |
Minimum Load |
10% of Full Load |
|
Voltage Setpoint Accuracy |
+/-3% max |
Short Circuit Protection |
Current Limit Protection |
|
Temperature Coefficient |
+/-0.03%/oC |
Short Circuit Restart |
Automatic |
|
Ripple & Noise(20MHz BW) |
100mVp-p max |
Transient Response |
200uS max |
|
GENERAL SPECIFICATIONS |
|||
|---|---|---|---|
|
Operating Temperature |
-25oC to +71oC |
Isolation Capacitance |
80pF max |
|
Storage Temperature |
-55oC to +125oC |
Switching Frequency |
50 KHz min |
|
Humidity |
95% max |
MTBF |
>850,000 Hours at 25oC |
|
Cooling |
Free-Air Convection |
Case Material |
Non-Conductive Plastic or Five-Sided Shield Case |
|
Efficiency |
60% min |
Conducted Emissions |
EN55022 Class A |
|
Isolation Voltage |
1000 VDC min |
Radiated Emissions |
EN55022 Class A |
|
Isolation Resistance |
109 ohms min |
|
|
|
Mechanical Characteristics |
|
|---|---|
|
Length:31.8mm |
Height: 10.2mm |
|
Width: 20.3mm |
Weight: 12.0g-14.4g |
|
1.3W SINGLE OUTPUT |
|||||||
|---|---|---|---|---|---|---|---|
|
Model No |
INPUT VOLTAGE |
OUTPUT VOLTAGE |
OUTPUT CURRENT |
INPUT CURRENT(mA) |
EFF |
ISOLATION(VDC) |
|
|
FULL LOAD |
NO LOAD |
||||||
|
RCFS-0505D(M) |
4.5-5.5 |
5 |
260 |
410 |
43 |
63 |
1000 |
|
RCFS-0509D(M) |
4.5-5.5 |
9 |
145 |
400 |
42 |
65 |
1000 |
|
RCFS-0512D(M) |
4.5-5.5 |
12 |
108 |
400 |
41 |
65 |
1000 |
|
RCFS-0515D(M) |
4.5-5.5 |
15 |
87 |
394 |
41 |
66 |
1000 |
|
RCFS-0524D(M) |
4.5-5.5 |
24 |
54 |
394 |
41 |
66 |
1000 |
|
RCFS-1205D(M) |
10.8-13.2 |
5 |
260 |
170 |
14 |
63 |
1000 |
|
RCFS-1209D(M) |
10.8-13.2 |
9 |
145 |
169 |
14 |
64 |
1000 |
|
RCFS-1212D(M) |
10.8-13.2 |
12 |
108 |
167 |
14 |
65 |
1000 |
|
RCFS-1215D(M) |
10.8-13.2 |
15 |
87 |
167 |
14 |
65 |
1000 |
|
RCFS-1224D(M) |
10.8-13.2 |
24 |
54 |
164 |
14 |
66 |
1000 |
|
RCFS-2405D(M) |
21.6-26.4 |
5 |
260 |
86 |
9 |
63 |
1000 |
|
RCFS-2409D(M) |
21.6-26.4 |
9 |
145 |
86 |
9 |
63 |
1000 |
|
RCFS-2412D(M) |
21.6-26.4 |
12 |
108 |
85 |
9 |
64 |
1000 |
|
RCFS-2415D(M) |
21.6-26.4 |
15 |
87 |
83 |
9 |
65 |
1000 |
|
RCFS-2424D(M) |
21.6-26.4 |
24 |
54 |
83 |
9 |
65 |
1000 |
|
RCFS-4805D(M) |
43.2-52.8 |
5 |
260 |
41 |
2 |
66 |
1000 |
|
RCFS-4809D(M) |
43.2-52.8 |
9 |
145 |
41 |
2 |
66 |
1000 |
|
RCFS-4812D(M) |
43.2-52.8 |
12 |
108 |
41 |
2 |
66 |
1000 |
|
RCFS-4815D(M) |
43.2-52.8 |
15 |
87 |
40 |
2 |
67 |
1000 |
|
RCFS-4824D(M) |
43.2-52.8 |
24 |
54 |
40 |
2 |
67 |
1000 |







